
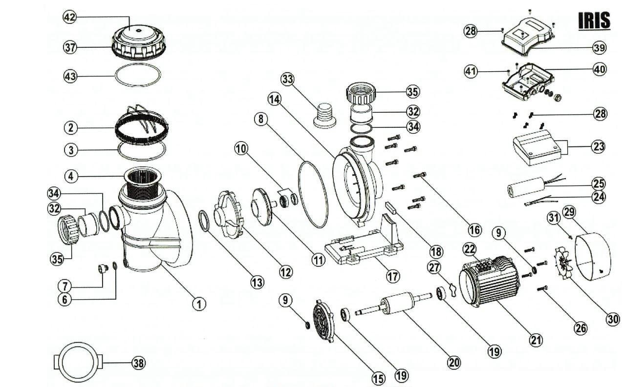
Ersatzteile für Pumpe Iris, WaterStar, Ersatzteilliste Espa
Ersatzteile für Filterpumpe Iris, Modell Iris: Iris 400-100, WaterStar 450-650.
Typ: Iris 400, Iris 450, Iris 500, Iris 650, Iris 750, Iris 1000, WaterStar 450, WaterStar 650.
-HIER- Ersatzteilliste für Espa Pool Pumpe Iris 400-1000 als pdf herunterladen! -
-HIER- Ersatzteilliste für Espa Pool Pumpe Iris 450-650 und WaterStar als pdf herunterladen!
Hier finden Sie Ersatzeile wie: Siebkorb, Filterkorb, Filter, Korb, Sieb, O-Ring, Dichtring, Dichtung, Pumpenfuß, Pumpengehäuse, Auslassventil, Stator, Anschlussstutzen, Filtergehäuse, Gehäusedichtung, Klarsichtdeckel, Vorfilterdeckel, Deckel, Vorfilter, Stopfen, Lüfterrad, Lüfterdeckel, Druckstutzen, Ablaßschraube, Ablassstopfen, Laufrad, Gleitringdichtung, Kondensator, Leitrad, Druckteller, Dichtung für Leitrad, Überwurfmutter, Schlüssel für Überwurfmutter, Klemmkasten, Klemmkastendeckel, Verschlussschraube, Poolpumpe, Filterpumpe, Schwimmbad Pumpe, Espa, Poolpumpe.


Anschluss Tülle für Schlauch 38 mm, Schlauchtülle

Anschlusstülle, Schlauchtülle für 38 mm Schlauch. Anschlusstülle, Schlauchanschluß mit Tülle für 38 mm Schlauch, passend bei Espa Pumpe Blaumar S1, Tiper 1, Tiper 2, Sniper, Silen, Pool M, Ni5, Niper 1-350, Niper 2-450, Flipper 1, Flipper 2.Passende Überwurfmutter 2" Art.-Nr: 810464 bitte extra bestellen (nicht im Lieferumfang enthalten). Flanschdurchmesser: 62 mm Durchmesser für Schlauch/Tülle: 38 mm ESPA, Ersatzteil, Ersatzteilnummer Nr. 810475 Sandfilteranlage, Filtergehäuse, Poolpumpe, Schwimmbadpumpe, Schwimmbadfilter, Filterpumpe, Schwimmbad, Pool, Filteranlage, Saugstutzen, Klebestutzen, Muffe Saugseite.


Anschluss-Stutzen am Druckstutzen für PVC-Rohr DN 50

Anschlussstutzen, Druckstutzen, Tülle für PVC Kleberohr 50 mm passend bei Blaumar, Tiper, Silen S, Silen I, Ni5, Niper, Iris. Anschlussstutzen für PVC Kleberohr mit 50 mm Durchmesser passend bei Espa Pumpe Blaumar S1, Blaumar I1, Blaumar S1, Tiper 0, Tiper 2, Silen S, Ni5, Niper 1-350, Niper 2-450, Iris 400- Iris 1000, Silen I 33, Silen I 50, Silen I 100. Passend Überwurfmutter 2" Espa Ersatzteil Nr. 810464 bitte extra bestellen (nicht im Lieferumfang). ESPA, Ersatzteil, Ersatzteilnummer Nr. 810463 Sandfilteranlage, Filtergehäuse, Poolpumpe, Schwimmbadpumpe, Schwimmbadfilter, Filterpumpe, Schwimmbad, Pool, Filteranlage, Saugstutzen, Klebestutzen, Muffe Saugseite


Auslassventil für Sandfilteranlage

Entleerungsventil mit Schlauchtülle für Schlauchanschluß, Auslassventil für Sandfilteranlage Entleerungsventil mit Schlauchtülle für Schlauchanschluß, Auslassventil für Sandfilteranlage mit Außengewinde, bestehend aus drei Teilen, passend z.B. bei Sand-Filteranlage SF500 mit 75 kg Sandfüllung und Espa Pumpe Silen 50. Gewinde-Außendurchmesser: 16 mmEspa, Ersatzteil, Ersatzteilnummer 840014 Keine Chinaware, Original ESPA Ersatzteil - Original Equipment (OE)


Auslassventil für Sandfilteranlage Durchmesser 20,5 bis 25 mm

Entleerungsventil, Auslassventil für Sandfilteranlage Entleerungsventil, Auslassventil, Ablassventil, Entleerungsdüse Typ EH-0,2, bestehend aus einem Innenteil (beige) und einem Außenteil (schwarz), die Abdichtung erfogt über einen O-Ring direkt am Kessel von außen. Bitte beachten, nur passend für Lochdurchmesser von 20,5 bis 25 mm im Sandfilterbehälter. Espa, Ersatzteil, Ersatzteilnummer 7725002Pool, Sandfilteranlagen, Filterkessel, Schwimmbad Keine Chinaware, Original ESPA Ersatzteil - Original Equipment (OE)


Dichtring für Leitrad Niper, Blaumar, Iris, Squiper, Silen I

Dichtring für Leitrad Blaumar, Niper, Iris, Squiper, Silen I Dichtring Profilring, Dichtung für Leitrad, Leitraddichtung für Espa Pumpe Typ Blaumar I1, Blaumar N2, Clipper, Niper 3-650, Niper 3-850, Iris 400-1000, Squiper SQ 30, Squiper SQ 60, Silen I 33, Silen I 50, Silen I 100, Iris 400, Iris 500, Iris 750, Iris 1000. Espa, Ersatzteil, Ersatzteilnummer 8316 Sandfilteranlage, Filtergehäuse, Poolpumpe, Schwimmbadpumpe, Schwimmbadfilter, Filterpumpe Abmessung: Innendurchmesser 47,0 mm Außendurchmesser 57,0 mm Schnurstärke 5 mm Höhe/Dicke 4,5 mm


Dichtring für Leitrad Silen, Silen S, Tifon, Flipper, Wiper, Niper

Dichtring für Leitrad Silen, Silen S, Silenplus, Blaumar, Tifon, Flipper, Wiper, Tiper, Squiper, Sniper, Niper, Iris, Picsis, Nadorself Dichtring, Profilring, Dichtung für Leitrad, Leitraddichtung für Espa Pumpe Typ Silen S, Silen 30, Silen 50, Silen 75, Silen, 100, Silenplus M1, Blaumar IS1, Silen S, Silen 2, Tifon 1, Flipper 1, Flipper 2, Wiper -3, Tiper -3, Squiper, SP 60, SP 70, Sniper, Pool M, Picsis 3, Picsis 4, Niper 1-350 bis Niper 3-850, Ni 5, Nadorself, Iris 400-1000Abmessung: Innendurchmesser 58,0 mm Außendurchmesser 71,0 mm Schnurstärke 6,5 mm Höhe/Dicke 5,9 mmEspa, Ersatzteil, Ersatzteilnummer 8324Sandfilteranlage, Filtergehäuse, Poolpumpe, Schwimmbadpumpe, Schwimmbadfilter, Filterpumpe


Dichtring für Welle Niper, Blaumar, Wiper, Tiper, Iris, Squiper

Dichtring, Streuscheibe für Welle Niper, Blaumar, Wiper, Tiper, Iris, Squiper, Silen I Streuscheibe (Dichtung) für Welle passend bei Espa Pumpe, Basic, Wiper 0, Tiper 0, Tiper 1, Squiper, SP 60, SP 70, Sniper, Picsis3, Niper 1-350, Niper 2-400, Niper 2-450, Niper 3-450, Niper 3-650, Niper 3-850, Iris 400, Iris 500, Iris 750, Iris 1000, Blaumar N1, Blaumar I1, Silen I 33, Silen I 50, Silen I 100.Espa Ersatzteilnummer 8341


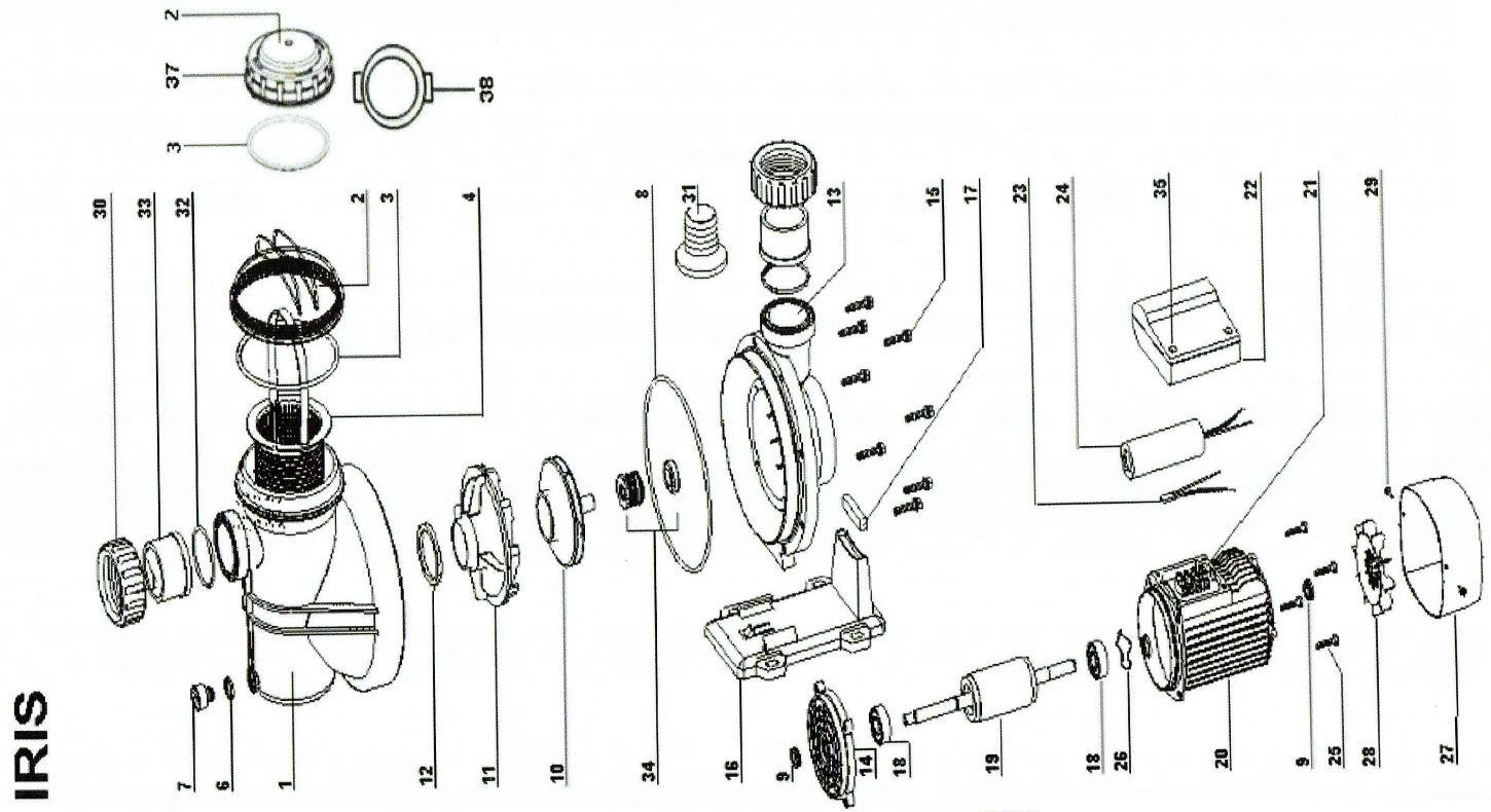
Ersatzteilliste für Filterpumpe Iris 400, Iris 500 Iris 750
Ersatzteilliste für ESPA Filterpumpen und Schwimmbadpumpen Iris 400, Iris 500, Iris 750, Iris 1000 als PDF zum Gratis-Download. Hier finden Sie die Ersatzteilliste mit Ersatzteilen für Filterpumpe, Schwimmbadpumpe, Sandfilteranlage, Schwimmbadfilter, Poolpumpe von Espa, Typ: Iris 450, Iris 650, WaterStar450, WaterStar650. Ersatzteile wie: Filter, Dichtung, O-Ring, Poolpumpe, Filterpumpe, Schwimmbad Pumpe, Silen, Espa, Poolpumpe, Siebkorb, Filterkorb, Filter, Korb, Sieb, O-Ring, Dichtring, Dichtung, Pumpenfuss, Auslassventil, Stator, Filtergehäuse, Gehäusedichtung, Klarsichtdeckel, Vorfilterdeckel, Deckel, Vorfilter, Stopfen, Lüfterrad, Lüfterdeckel, Druckstutzen, Ablassschraube, Ablassstopfen, Gleitringdichtung, Kondensator, Laufrad, Leitrad.Original ESPA Ersatzteil! Gratis-Download Ersatzteilliste für Filterpumpe und Sandfilterpumpe Iris 400, Iris 500, Iris 750, Iris 1000:Gratis-Download Ersatzteilliste Filterpumpe Iris 400, Iris 500, Iris 750, Iris 1000

Ersatzteilliste für Filterpumpe Iris 450, Iris 650 als PDF
Ersatzteilliste für ESPA Filterpumpe und Schwimmbadpumpe Iris 450, Iris 650, WaterStar450, WaterStar650 als PDF zum Gratis-Download. Hier finden Sie die Ersatzteilliste mit Ersatzteilen für Filterpumpen, Schwimmbadpumpen, Sandfilteranlagen, Schwimmbadfiltern, Poolpumpen von Espa, Typ: Iris 450, Iris 650, WaterStar450, WaterStar650. Ersatzteile wie: Filter, Dichtung, O-Ring, Poolpumpe, Filterpumpe, Schwimmbad Pumpe, Silen, Espa, Poolpumpe, Siebkorb, Filterkorb, Filter, Korb, Sieb, O-Ring, Dichtring, Dichtung, Pumpenfuss, Auslassventil, Stator, Filtergehäuse, Gehäusedichtung, Klarsichtdeckel, Vorfilterdeckel, Deckel, Vorfilter, Stopfen, Lüfterrad, Lüfterdeckel, Druckstutzen, Ablassschraube, Ablassstopfen, Gleitringdichtung, Kondensator, Laufrad, Leitrad. Gratis-Download Ersatzteil Liste für Filterpumpe und Sandfilterpumpe Iris 450, Iris 650, WaterStar450, WaterStar650:Gratis-Download Ersatzteilliste Filterpumpe Iris 450, Iris 650, WaterStar450, WaterStar650Original ESPA Ersatzteil !


Filterkorb, Filter, Sieb, Korb für Iris, Niper 3 bis Modell 2005

Filterkorb, Filter, Sieb, Korb für Iris, Niper 3-450, Niper 3-650, Niper 3-850, Blaumar I1, Silen 75 Filterkorb für Iris, Niper 3-450, Niper 3-650, Niper 3-850, Blaumar I1, Silen 75M, Silen I Espa Ersatzteil 811819 Filterkorb mit Bügel für Iris, Niper 3-450, Niper 3-650, Niper 3-850 bis Modell 2005 ist nicht mehr lieferbar. Espa, Ersatzteil, Ersatzteilnummer 810001, dieser Artikel (Filter mit Bügel) ist nicht mehr lieferbar! Espa Ersatzteil 811819 (hoher Filter ohne Bügel) Abmessung alte Version 810001: Größter Durchmesser oben: 103 mm Durchmesser unter: 80 mm Komplette Höhe ohne Bügel: 137 mmKomplette Höhe mit Bügel: 238 mm Abmessung neue Version 811819:Größter Durchmesser oben: 108 mmDrurchmesser unten: 80 mmKomplette Höhe (über alles): 238 mm

Gehäusedichtung für Niper, Iris, Blaumar, Silen

Dichtung für Druckgehäuse Iris, Niper 3, Blaumar I1, Silen I Whisper, WaterstarGehäusedichtung, O-Ring für Druckgehäuse Espa Pumpe Typ Blaumar I1, Iris 400, Iris 450, Iris 500, Iris 650, Iris 750, Iris 1000, Iris SP7, Iris 220, 245,428,253, Waterstar 450-650, Silen I, Niper, Niper 3, Whisper 979, Piscis, Nox33.Espa, Ersatzteil, Ersatzteilnummer 8394Schnurstärke Durchmesser 4 mmSandfilteranlage, Filtergehäuse, Poolpumpe, Schwimmbadpumpe, Schwimmbadfilter, Filterpumpe, Schwimmbad, Pool


Gehäuseschraube für Wiper, Tiper, Tifon, Niper, Iris, Blaumar

Spezial-Schraube für Druckteller Spezial-Schrauben 5,5 x 40 für Druckteller, passend bei Espa Pumpen Basic, Piscis2, Niper, Niper 1, Niper 2, Niper 3, Iris 400/500/750/1000, Wiper, Whisper, Blaumar N2, Blaumar I1, Tiper Espa, Ersatzteil, Ersatzteilnummer 80029

Gewindestangen Leader ECOPLUS 230

Gewindestangen Leader ECOPLUS 230 Gewindestangenset Leader ECOPLUS 230 Dehoust GEP Umwelttechnik, Ersatzteil, Ersatzteilnummer 8-230-170


Gleitringdichtung drehend und fix für Niper, Iris

Gleitringdichtung drehend und fix für Niper, Niper 3-450, Niper 3-650, Niper 3-850, Iris Gleitringdichtung, zweiteilig, bestehend aus drehendem und fixem Teil, Espa Typ 500/400. Lieferung mit ausführlicher Montageanleitung! Für Espa Pumpe Niper, Niper 3-650, Niper 3-450, Niper 3-850, Iris, Iris 400, Iris 450, Iris 500, Iris 650, Iris 750, Iris 1000 Espa, Ersatzteil, Ersatzteilnummer 874556 Sandfilteranlage, Filtergehäuse, Poolpumpe, Schwimmbadpumpe, Schwimmbadfilter, Filterpumpe, Schwimmbad, Pool, Filteranlage


Gleitringdichtung für Blaumar, Wiper, Pool M, Picsis, Iris, Silen I

Gleitringdichtung drehend+fix für Blaumar, Wiper, Pool M, Picsis, Iris, Silen I Gleitringdichtung, zweiteilig, bestehend aus einem drehenden und einem fixen Teil, Espa Typ 422/549. Lieferung mit Montageanleitung. Passend für Pumpe: Blaumar I1, Wiper 3, Pool M, Picsis 3, Picsis 4, Iris 400, Iris 450, Iris 500. Iris 650, Iris 750, Iris 1000, Silen I 33 8M, Silen I 50 12M, Silen I 100 15 M. Espa, Ersatzteil, Ersatzteilnummer 874580 Sandfilteranlage, Filtergehäuse, Poolpumpe, Schwimmbadpumpe, Schwimmbadfilter, Filterpumpe, Schwimmbad, Pool, Filteranlage


Klarsichtdeckel-Set, Filterdeckel-Set für Iris

Klarsichtdeckel-Set, Filterdeckel-Set für Pumpe Iris. Filterdeckel-Set, Klarsichtdeckel-Set für Espa Pumpe Typ Iris 400, Iris 500, Iris 750, Iris 1000. Lieferumfang: Klarsichtdeckel Artikel 8125476, Überwurfmutter Artikel 810527 O-Ring Artikel 8135419 OPTIONAL passender Montageschlüssel 8127995 für die neue Deckelversion gleich mit bestellen.Espa, Ersatzteil, Ersatzteilnummer 8125476-Set Vorfilter Deckel, Vorfilterdeckel, Sandfilteranlage, transparenter Deckel, transparenter Vorfilterdeckel, Filtergehäuse, Schwimmbadfilter, Filtergehäuse, Schwimmbad, Schwimmbadpumpe, Pumpe, Pool, Poolpumpe, Filterpumpe, Filter.

Klarsichtdeckel, Filterdeckel für Iris
Klarsichtdeckel, Filterdeckel für Iris Klarsichtdeckel für Espa Pumpe Iris 400, Iris 500, Iris 750 Iris 1000 Artikel 810449 nicht mehr lieferbar, Ersatz ist Artikel 8125476-Set Gewinde-Innendurchmesser ca. Ø130 mm

Klarsichtdeckel, Filterdeckel für Iris und Blaumar I1, Silen I

Klarsichtdeckel, Filterdeckel für Pumpe Iris, Blaumar I1, Silen I. Filterdeckel, Klarsichtdeckel , Filter Deckel für Espa Pumpe Typ Iris 400, Iris 450, Iris 500, Iris 650, Iros 750, Iris 1000, Blaumar I 1, Silen I 33, Silen I 50, Silen I 100. Filterdeckel Iris 450, Iris 650 neue Generation (Modifiziert 2007). Espa, Ersatzteil, Ersatzteilnummer 8125476 Vorfilter Deckel, Vorfilterdeckel, Sandfilteranlage, transparenter Deckel, transparenter Vorfilterdeckel, Filtergehäuse, Schwimmbadfilter, Filtergehäuse, Schwimmbad, Schwimmbadpumpe, Pumpe, Pool, Poolpumpe, Filterpumpe, Filter. Größter Durchmesser: 127 mm Lieferung ohne Dichtung, passende Dichtung: 8135419 (8206180), für Silen I ist es Dichtung 8185758.


Kondensator für Aspri, Aspira, Tecnoself 15, Iris, Niper, Delta, Itec

Kondensator für ESPA Pumpe Aspira, Aspri, Niper, Iris, Delta, Blaumar, Tecnoself, Tiper und Itec. Kondensator für Espa Pumpen mit 230V/50Hz, innenliegend mit zweiadrigem Anschluss, passend bei Aspira 10, Aspri 10, Aspri 15, Tecnoself 15, Aspira 20 (alle Typen) sowie Blaumar Modelle, Iris 450, Iris 500, Iris 650 Iris 750, Iris 1000, Niper 3-450, Niper 3-650, Niper 3-850, Delta 1005, Delta 1755, Tecnoself 15-3, Tecnoself 15-4, Tecnoself 15-5. Tiper 1.Auch passend bei GEP, Dehoust Pumpe Itec 5-40.Espa Ersatzteil, Ersatzteilnummer 82051 (21000009) Keine Chinaware, Original ESPA Ersatzteil - Original Equipment (OE).

Kondensator für Espa Pumpe Iris 400, Sniper, Wiper, Flipper 1S

Kondensator für ESPA Pumpe Iris, Sniper, Wiper, Flipper 1S, KSB Multi ECO Kondensator für Espa Pumpen mit 230V/50Hz, innenliegend mit zweiadrigem Anschluss, passend bei Kondensator für Pumpe mit 230 V/50Hz, Iris 400, Sniper, Wiper, Flipper 1S, Piscis 3, passend auch bei KSB Pumpe Multi Eco 34.0 E, 660W/50Hz.

Kondensator für Espa Pumpe Iris 400, Sniper, Wiper, KSB Pumpe MultiEco

Kondensator für ESPA Pumpe Iris, Sniper, Wiper, Flipper 1S, KSB Multi ECO Kondensator für Espa Pumpen mit 230V/50Hz, außenliegend mit zweiadrigem Anschlusskabel, passend bei Kondensator für Pumpe mit 230 V/50Hz, Iris 400, Sniper, Wiper, Flipper 1S, passend auch bei KSB Pumpe Multi Eco 34.0 E, 660W/50Hz.

Lager für Aspri15, Niper, Tecnoself 15, Rainsub 07

Lager Aspri15, Niper Modell 2004, Silen I, Blaumar I1, Tecnoself 15, Iris, Sniper, Rainsub. Lager, Kugellager. Ausführung: Rillenkugellager in Premium-Qualität, Geräuscharm, mit eingeschränkter Lagerluft innerhalb der Toleranz des Normalbereichs. Der Toleranzbereich wird nicht komplett ausgenutzt, daher besonders laufruhig! Die eingeschränkte Lagerluft sorgt für eine dauerhaft gleichbleibenden Lagerluftbereich im Serieneinsatz. Beidseitig abgedichtet mit berührenden, nicht schleifenden NBR-Gummidichtscheiben. Passend bei ESPA Pumpen Aspri15-3, Aspri 15-4, Aspri15-5, Niper, Niper 3-450, Niper 3-650, Niper 3-850, Silen I 33, Silen I 50, Silen I 100, Blaumar I1, Tecnoself 15-2, Tecnoself 15-3, Tecnoself 15-4, Tecnoself 15-5, Iris 400, Iris 500, Iris 750, Iris 1000, Sniper. Espa, Ersatzteil, Ersatzteilnummer 81962


Laufrad 50HZ Blaumar I1 100-15M , Niper 3-850, Iris 1000

Laufrad für Blaumar I1 100-15M , Niper 3-850, Iris 1000 Laufrad für Espa Pool Pumpe Blaumar I1 100-15M , Niper 3-850, Iris 1000, 50Hz


Laufrad für Iris 400, Iris 500, Niper 3, Blaumar N2, Silen I 33 8M

Laufrad für Poolpumpen Iris 400, Iris 500, Niper 3, Blaumar N2, Silen I 33 8M Laufrad für Poolpumpen Iris 400, Iris 500, Niper 3, Blaumar N2, Blaumar I1, Silen I 33 8M Espa, Ersatzteil, Ersatzteilnummer 810467